Fabriquer Chargeur Batterie 12v Automatique Pour Voiture
Donnez la puissance absorbee la tension dalimentation la longueur du faisceau et la chute de tension dans les fils tolerable.
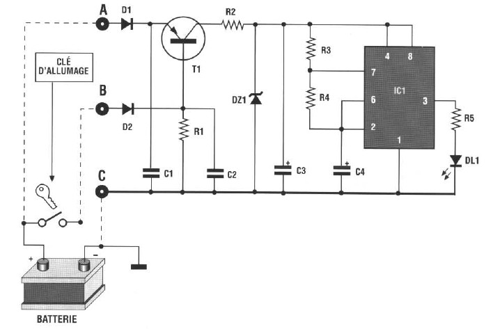
Fabriquer chargeur batterie 12v automatique pour voiture. Chargeur de marque suedoise qui na plus a faire ces marques dans le monde automobile. Les chargeurs de batteries de la marque comme le ctek mxs sont reconnus par. Lelectronique est une branche de la physique appliquee traitant de la mise en forme et de la gestion de signaux electriques comme support pour le stockage le. Vous etes un amateur ou professionnel en electronique et vous souhaitez realiser un montage electronique a laide dun schema electronique un circuit.
Batterie externe 25000mah power bank portable avec double port usb et 4 mode led flashlight ultra capacite chargeur portable de secours pour smartphone samung s8. Installer une deuxieme batterie auxiliaire qui se charge en roulant est une excellente maniere davoir de lelectricite pour vivre dans son vancamionfourgon. Donnez la puissance absorbee la tension dalimentation la longueur du faisceau et la chute de tension dans les fils tolerable. En 12v 5 est un bon compromis pour.












































