Home » Three Phase Inverter Circuit Diagram Pdf » Three Phase Inverter Circuit Diagram Pdf
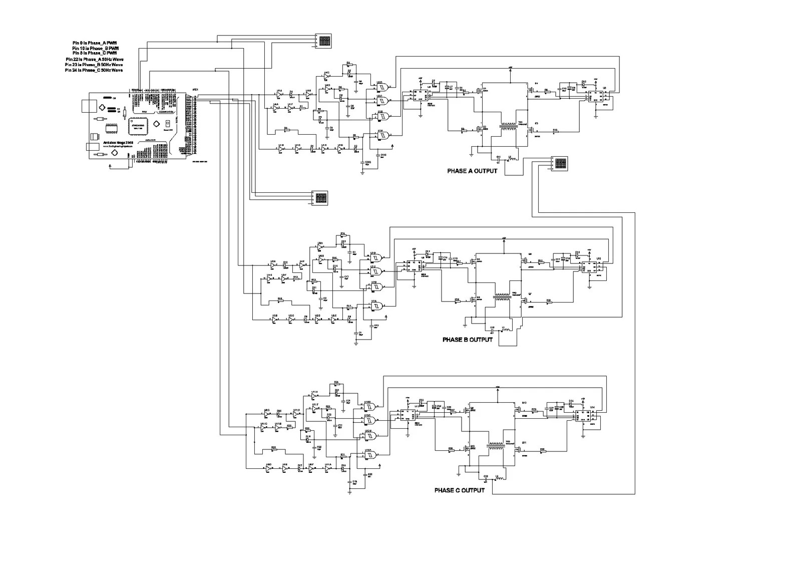
Three Phase Inverter Circuit Diagram Pdf






































